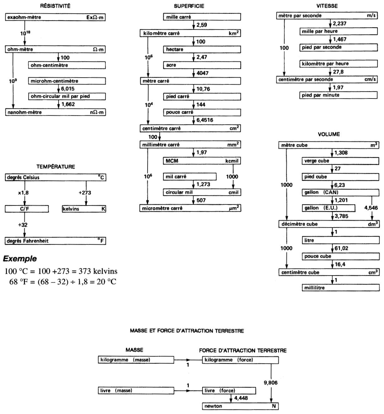
Conversion des unités de mesure

Électrotechnique

Lorsqu'on circule dans le sens de la flèche, on multiplie par le chiffre associé ; lorsqu'on circule dans le sens contraire, on divise.

Les exemples suivants illustrent la méthode.

Exemple

Convertir 7 kilowattheures en joules.

Solution:

En se reportant à la charte intitulée ÉNERGIE, on doit traverser 3 flèches afin de passer de kilowattheure à joule; en appliquant la règle, on obtient:

7 kW-h = 7 x 3,6 x 1000 x 1000 J = 25,2 x 106 J = 25,2 MJ

Exemple

Convertir 777 calories en kilowattheures.

Solution

En utilisant la même charte, on doit traverser 4 flèches, dont 3 dans le sens opposé à la flèche.

On obtient donc:

777 calories = (((777 x 4,184) / 1000) / 1000) / 3,6 = 9,03 x 10-4 kW.h

 

 

 

 

 

 

 

Recherche personnalisée