Les minéraux

Nom

Apophyllite

 

Classe

Phyllosilicates

Système cristallin

Quadratique

Formule

 KCa4Si8O20(F,OH).8H2O

 

Cristaux blancs avec stilbite (Jalgaon, Inde), - 7 cm -

collection Muséum de Paris, cliché U. de Cayeux, BRGM

 C’est un minéral secondaire présent dans les vacuoles des roches basaltiques et comme produit d’altération hydrothermale dans les skarns. Il se présente sous différentes formes: prismes carrés, habituellement courts, terminés par la base ou par la pyramide quadratique; moins souvent en cristaux tabulaires aplatis. Les faces du prismes sont striées verticalement. Également massive et lamellaire en agrégats foliacés ou grenus. Transparente à translucide. Eclat vitreux vif, nacré sur le clivage. Blanc ou grisâtre, parfois rose. Les beaux échantillons viennent de Poona (Inde), du tunnel Das Antas (Rio Grande do Sul, Brésil) ou d’Andreasberg (Allemagne). 

Année de découverte :

 1978

Étymologie :

 du grec apophylliso, "qui s'effeuille". "La triple tendance de ce minéral à l’exfoliation, par le feu, par les acides et par le frottement, a suggéré le nom d’apophyllite c'est-à-dire, qui s’exfolie. Nommée par l’abbé René Haüy.

Localité type :
Synonyme :    
Couleur : Incolore, blanc, rose, vert, grisâtre.
Éclat : Vitreux, nacré sur les plans de clivage.
Transparence : Transparente, translucide.
Morphologie : Prismatique, carrée, courte, octaédrique, quadratique, tabulaire, aplatie, cristaux striés, grenue, lamellaire, massive.
Solubilité : Attaquée par les acides, même organiques. L’acide chlorhydrique laisse un dépôt de silice.
Trait :  
Autres propriétés : Faible biréfringence / tendre / fragile

Minéraux associés :

principalement zéolites et autres silicates hydroxylés de calcium

Liste des minéraux associés :

Calcite Datolite Heulandite Pectolite Stilbite

Forme :

prismes quadratiques pseudo-cubiques terminés par l'octaèdre, cristaux aplatis ou en pyramides aiguës, agrégats cristallins flabelliformes, masses lamellaires

Clivages :

parfait (001) et difficile (110)

Cassure :

irrégulière 

Classe :

Phyllosilicates

Classe cristalline :

4/m2/m2/m

Fréquence :

minéral commun

Utilisation :

aucune

Gisements :

cavités des roches volcaniques basiques, plus rarement filons hydrothermaux

Dureté:

4.70

Densité mesurée :

2.3

Système cristallin :

Quadratique

a :

8.963 Å

b :

 

c :

15.804 Å 

alpha :

90° 

beta :

 

gamma :

 

Z :

2

Diagramme X :

 d(Å)

2.100

2.490

2.950

3.17

3.57

3.9

4.51

7.81

Intensité

3

9

5

4

6

5

4

10

 Microscope en lumière transmise naturelle

Couleur naturelle

:

incolore

L'apophyllite est un minéral de réfringence moyenne, incolore et formant des prismes. Sur la photo, il est fragmenté. (Mine de Tsumo, Japon), - 0,6 mm -

collection BRGM, cliché E. Le Goff

 

Pléochroisme

:

aucun

Clivages

:

parfait (001) et difficile (110)

Réfringence

:

très faible

Microscope en lumière transmise polarisée

Biréfringence

:

très faible

Couleur de biréfringence

:

blanc, gris du 1er ordre

Allongement

:

négatif

Extinction

:

droite

 

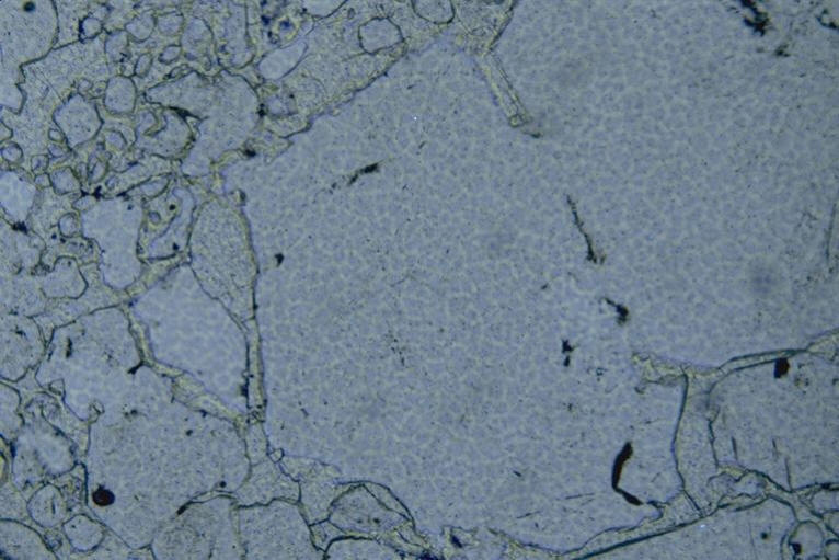
Il polarise dans les gris et possède une biréfringence très faible. (Mine de Tsumo, Japon), - 0,6 mm -

collection BRGM, cliché E. Le Goff

 

Ng

:

Minimum

:

1.543

Maximum

:

1.543

Np

:

Minimum

:

1.542

Maximum

:

1.542

 

 Microscope lumière convergente

Texte

:

uniaxe positif

 


 

 

 

Recherche personnalisée

Accuil